- Description
-
Details
This gripper is mainly made of acrylic board, driven by a small screw motor, which can provide a high clamping force. this gripper have two configurations, 4-finger configuration and 2-finger configuration, you can easily change the configuration to fit for special application case.
Features:- Marerial: Acrylic board
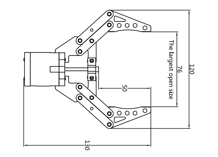
- Largest open size: 76mm
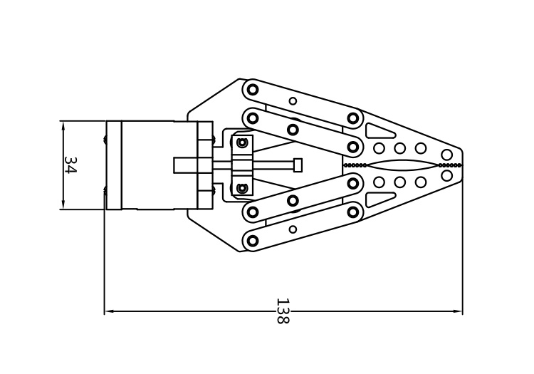
Size Charts(mm):

- Reviews
-